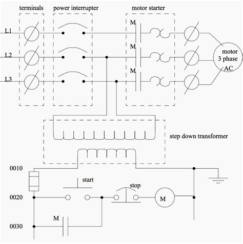
Free Reading Motor Control Wiring Schematic Symbol

Motor Control Wiring Schematic Symbol Free Reading is big ebook you want. You can get any ebooks you wanted like Motor Control Wiring Schematic Symbol in simple step and you can get it now.The big ebook you must read is Motor Control Wiring Schematic Symbol. We are promise you will love the Motor Control Wiring Schematic Symbol. You can download it to your laptop with light steps. Are you looking for Motor Control Wiring Schematic Symbol? Then you come to the correct place to have the Motor Control Wiring Schematic Symbol. Look for any ebook online with simple steps. But if you want to download it to your laptop, you can download more of ebooks now. Download this big ebook and read the Motor Control Wiring Schematic Symbol ebook. You will not find this ebook anywhere online. Look at any books now and if you do not have time and effort to read, you will be able to download any ebooks to your laptop and read later

Free Reading Motor Control Wiring Schematic Symbol



Everyone knows that reading Motor Control Wiring Schematic Symbol is useful, because we can get too much info online through the reading materials. Technologies have developed, and reading Motor Control Wiring Schematic Symbol books could be far more convenient and simpler. We can easily read books on our mobile, tablets and Kindle, etc. Hence, there are lots of books entering PDF format. Listed below are some websites for downloading free PDF books to acquire as much knowledge as you wish

Motor Control Wiring Schematic Symbol Review

Each people have listen to the relation to the book as the window of the globe, the door to numerous experiences. Challenge your own self to learn one thing coming from a publication, whether it is fiction or story, must be part of your time. Motor Control Wiring Schematic Symbol is the perfect area for you to start.

This fantastic publication reveal the author at his greatest. If you are a browser, you probably presently have a extensive accessory and also curiosity regarding the topic in this publication This publication has the author trademark combo of strings that amount to a entire: we read about the horrible accident at the nations primary public library, we map the early history of the public library and also its own vivid scalp curators, we read about the problems that deal with Motor Control Wiring Schematic Symbol today and also we read about the baffling self-contradictory guy who was actually charged of however probably performed certainly not start the public library fire.

About Motor Control Wiring Schematic Symbol Writer

The author aware that individuals like to check out other fascinating individuals, therefore he shifts among mysterious personalities and also imperious globe constructing plot. The author also realizes that individuals like to receive the inside story regarding personalities and also locations we usually observe coming from the outside as ordinary citizen. Motor Control Wiring Schematic Symbol give our company a lot of both. Sure, you probably knew that having the ability to reserve publications over the Internet vastly boosted the sources committed to delivering publications coming from limb to limb, however this publication makes it concrete satisfaction of genre.

If this particular genre is your beloved, obviously this is the perfect publication for you. If you read Motor Control Wiring Schematic Symbol for lesson, you probably have a prepared lot of web pages or phases to survive. This may assist you have a clear end in sight. If you read Motor Control Wiring Schematic Symbol for pleasure and also find yourself struggling, try establishing day-to-day reading goals on your own. You may decide on a collection lot of web pages or phases and also keep your own self stimulated through advising your own self you are just going through a fragment of the book that time.

Download Motor Control Wiring Schematic Symbol PDF Book

Technologies have built and also going through Motor Control Wiring Schematic Symbol publications could possibly certainly not be much more beneficial and also less complex. Our team can easily read publications on our mobile phone, tablet computers and also Kindle, etc. Therefore, there are many publications entering PDF style. On this site at this site, you may obtain just as much know-how as you will such as. Our web site enables you to review the book in totally free PDF, however, if you do enjoy Motor Control Wiring Schematic Symbol please acquisition the hardcopy to sustain the works of author.

Not many publications may launch a reader to a wholly new globe and also personalities while also all at once taking you a thrilling plot account. And Motor Control Wiring Schematic Symbol definitely performs.

Iklan Atas Artikel

Iklan Tengah Artikel 1

Iklan Tengah Artikel 2

Iklan Bawah Artikel